设为首页加入收藏网站地图
网站首页 公司简介 产品中心 新闻动态 成功案例 在线留言 售后服务 联系我们  
 
电力产品
电力产品
新闻动态
成功案例
在线留言
售后服务
联系我们
 
电力产品   当前位置:首页-电力产品  
一次消谐装置
添加时间 2019/11/1 14:22:06  浏览次数 3493 次

 

一、概述
ZB-LXQ.RXQ系列一次消谐器是保定众邦电气有限公司专为保护电压互感器谐振而开发的产品。用于6-35KV中性点不接地系统,串联于电压互感器与中性点之间。
可以限制铁磁谐振引起的过电压,可以限制单相接地或电弧接地时流过高压互感器的过电流。采用大容量非线性电阻片组成,具有散热性能好、体积小、热容量大等特点,能适用于各种电压互感器。

二、型号说明

三、使用条件
1、适用于户内及户外;
2、环境温度-40℃~+60℃;
3、系统频率:50Hz,60Hz
4、海拔高度不大于3000m;
5、大气中无严重污秽及浸蚀性介质的场所;
6、串接于交流6~35KV非有效接地系统PT一次绕组中性点与地之间,在一个系统中接有多台电压互感器时,应每台互感器的三相高压绕阻中性点装一台消谐器, 才能有效地限制弧光接地过电压和消除铁磁谐振。

四、用户需知
1、消谐器在运输、储存、开箱和安装时, 应直立放置,不得倾斜,躺卧和受冲击、碰撞。安装使用前,应放在清洁干燥的房间内,不要受腐蚀性气体或液体浸蚀。
2、消谐器在投入运行前或运行1-2年后, 应做预防试验, 其项目为:测量每台消谐器的工频1mA和10mA时的电压,不大于要求范围的10%,其值应符合表中规定。
3、在日常运行中,由于单项接地或负载不对称等其它原因造成三项电压不对称, 这时消谐器上有一定电压,运行人员勿直接接触。
4、用户不得随意拆开产品。

五、技术指标

 

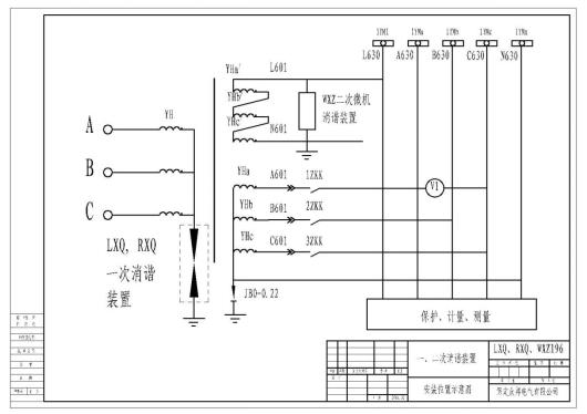
六、安装位置图


七、外形尺寸图

 

八、服务指南与订货须知
服务宗旨
  客户满意,是我们的责任;持续改进,是我们的义务。
具体事宜
  从购买之日起一年内免费维修!
  一年后出现故障,根据设备安装地点及合同签订情况协商解决;

 


注:由于技术不断更新,产品规格和配置如有变化,请以实际供货说明书为准


 电话:0312-3320110  技术电话:0312-3320112
 传真:0312-3320222
 网址:http://www.bdzhongbang.com
 邮箱:13513285660@139.com
 地址:河北省保定市高开区火炬产业园

 

     
 
联系我们 · CONTACT US   更多>>
地址:保定市竞秀区向阳北大街1399号华安保定高新数智谷 销售部电话:0312-3320110 技术部电话:0312-3320112 移动电话:13513285660 17631581888 E-mail:13513285660@139.com 网址:www.bdzhongbang.net
友情链接: 优质接地电阻柜   硅胶穿墙套管   过电压保护器   消谐装置   一次消谐   一次消谐器   变压器中性点接地电阻  

二次消谐装置   接地电阻柜   发电机中性点接地电阻   中性点接地电阻柜  
网站首页 公司简介 产品中心 新闻动态 成功案例 在线留言 售后服务 联系我们
Copyright 2006-2020 版权所有 保定众邦电气有限公司 http://www.bdzhongbang.net 网站地图
公司地址:保定市竞秀区向阳北大街1399号华安保定高新数智谷 联系电话:0312-3320110/3320202/3320113 传真号码:0312-3320222